در شرکت شاخص صنعت نوین اجرا، بهترین دیزل ژنراتورها با برندهای معتبر جهانی را همراه با گارانتی اصالت و خدمات پس از فروش ارائه میدهیم. تیم متخصص ما آماده نصب، راهاندازی و پشتیبانی فنی دیزل ژنراتورهای صنعتی، بیمارستانی، اداری و مسکونی با قدرتهای مختلف است. برای مشاوره رایگان و استعلام قیمت، همین امروز با ما تماس بگیرید.

**مراحل نصب و اجرای دیزل ژنراتور**
نصب و راه اندازی دیزل ژنراتور یکی از موارد مهم برای استفاده از ژنراتور دیزلی است که باید به طور اصولی و استاندارد انجام شود. در ادامه مطلب، مراحل نصب دیزل ژنراتور را قدم به قدم به شما آموزش خواهیم داد.
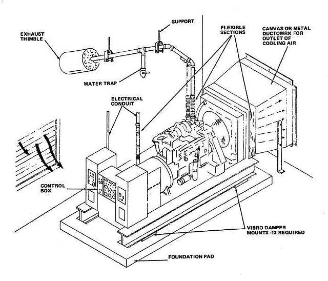
مراحل نصب و راه اندازی دیزل ژنراتور شامل طراحی اتاق ژنراتور، انتخاب محل مناسب نصب، کابلکشی و سیمکشی دیزل ژنراتور و نصب صحیح سیستم اگزوز است. نصب و راهاندازی دیزل ژنراتور بدون شک از مهمترین مراحلی است که باید بعد از خرید دیزل ژنراتور انجام شود. با راهاندازی اصولی دیزل ژنراتور، علاوه بر تضمین کارکرد صحیح دستگاه، طول عمر مفید ژنراتور نیز افزایش پیدا میکند
- طراحی اتاق دیزل ژنراتور:
تهویه و خنکسازی اتاق ژنراتور : برای عملکرد مناسب آلترناتور، حرارت آن باید به خوبی دفع شود. برای این منظور، باید هوای خنک و تازه وارد آلترناتور شود. هوای گرم رادیاتور نیز جهت دفع به جریان هوای تازه نیاز دارد. برای جلوگیری از افزایش بیش از حد دمای موتور و ژنراتور، هوای تازه باید دائماً در اتاق ژنراتور در جریان باشد. کوچک بودن اتاق ژنراتور و نبود سیستم تأمین جریان هوای تازه و خنک باعث میشود تا دیزل ژنراتور نتواند با حداکثر توان خود کار کند.

فونداسیون دیزل ژنراتور: فونداسیون دیزل ژنراتور همان سطحی است که دستگاه روی آن قرار میگیرد. برای ایجاد یک سازه اصولی و استاندارد، باید وزن و میزان حرارت تولیدی دستگاه سنجیده شود. برای قرار دادن دستگاه روی فوندانسیون (که در زیر شاسی دیزل ژنراتور قرار میگیرد)، پس از بتنریزی، بایستی حداقل ۱۰ تا ۱۴ روز صبر کرد و سپس، دیزل ژنراتور روی آن قرار داده میشود. ضخامت بتن فونداسیون دیزل ژنراتور، بهتر است حداقل ۳۰ سانتیمتر و از نوع بتن مگر باشد.

- محل نصب دستگاه:
دیزل ژنراتور کانوپیدار به دلیل داشتن اتاقک مخصوص، نصب و راهاندازی آسانی دارد و در صورت داشتن تریلر، میتوان آن را تا حدودی جابجا هم کرد. کانوپی از دستگاه در مقابل رطوبت و عوامل خارجی مختلف محافظت میکند. اگر محل قرارگیری ژنراتور دیزلی به گونهای است که در معرض بارش باران یا برف قرار دارد، بهتر است ارتفاع بتن فونداسیون بالاتر از سطح زمین باشد. بالا بودن مقطع فونداسیون باعث کاهش احتمال زنگزدگی و فرسودگی شاسی دستگاه میشود.
- نصب و راه اندازی سیستم اگزوز دیزل ژنراتور:
هدف اصلی سیستم اگزوز دیزل ژنراتور، دفع گازهای سمی ناشی از احتراق موتور دیزل است. در صورتی که نصب و راه اندازی اگزوز دیزل ژنراتور بهدرستی صورت نگیرد یا غیراستاندارد باشد، میتواند به افراد پیرامون و همچنین خود دستگاه آسیب وارد کند. لولههای اگزوز باید طوری نصب شوند که علاوه بر کوتاه بودن باید کمترین میزان برگشت فشار را داشته باشند. فشار برگشتی دود درون اگزوز باعث میشود مصرف سوخت و حرارت دستگاه بیشتر شود.

- نصب و راه اندازی تابلو برق ATS:
از تابلو ATS (چنج اور) زمانی که برق شبکه اصلی به صورت مکرر قطع میشود، استفاده میکنند. با استفاده از این تابلو برق، میتوان بدون نیاز به حضور فیزیکی کاربر و روشن کردن دستی، دیزل ژنراتور را به کار انداخت. اگر فاصله کارخانه با محل نصب دیزل ژنراتور زیاد باشد، نصب و راه اندازی تابلو کنترل اتوماتیک توصیه میشود.

- کابل کشی دیزل ژنراتور:
کابل کشی دیزل ژنراتور روشها و انواع (مسی یا آلومینیومی) مختلفی دارد و جزو مراحل مهم نصب و راه اندازی دیزل ژنراتور محسوب میشود. از ستونهای ساختمان، کنار دیوارهها و… میتوان برای کابلکشی دیزل ژنراتور استفاده کرد. همچنین، این کابلها را روی زمین نیز میتوان گذاشت که درون داکت فلزی یا سینی قرار داده میشوند. قبل از اینکه کابلکشی انجام گیرد، باید داکتها کشیده و به ارت وصل شده باشند.

